Oscillator with Ceramic Resonator
Test circuits to establish pulling range of an oscillator with a ceramic resonator.
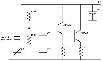
Circuit 1
| Device |
Lower limit |
Upper limit |
| 3.58 MHz resonator |
3.585 MHz |
3.650 MHz |
| 4 MHz resonator |
4.007 MHz |
4.072 MHz |
| 6 MHz resonator |
6.010 MHz |
6.099 MHz |
| 6 MHz X-tal |
5.999 MHz |
6.004 MHz |
| 33.8 MHz resonator |
33.74 MHz |
33.80 MHz |
Circuit 2
| Device |
Lower limit |
Upper limit |
| 3.58 MHz resonator |
3.460 MHz |
3.647 MHz |
| 8 MHz resonator |
7.728 MHz |
8.022 MHz |
| 10.24 MHz resonator |
10.128 MHz |
10.148 MHz |
| 10.7 MHz resonator |
10.459 MHz |
10.503 MHz |
Using a capacitor with a smaller minimum capacitance probably increases
the pulling range for the 10 MHz resonators.
Archive containing the Xcircuit files
(encapsulated postscript).